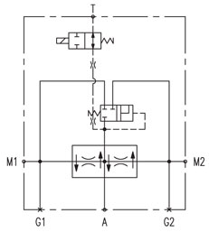
  Hydraulic Integrated Circuits - HiC'SComatrol has been providing customers with pre-engineered solutions with broad portfolio of Catalog Hydraulic Integrated Circuits (HIC'S). This product range includes Cross-Port Reliefs, Dual Counterbalance, Traction Manifolds, and latest family additions - Motor Mount HIC'S and Fan Drive HIC'S. To get more information please expand the product block by pressing on image or product title. To get detailed information about specific product you can download Technical datasheet file by clicking corresponding link. Fan Drive HIC'SOff-highway mobile machinery OEMs and distributors can choose from six pre-engineered Hydraulic Integrated Circuits (HIC'S) designed to provide speed control and reversing for hydraulic modulating fan drive motors in open circuit hydraulic fan drive systems. Reversing Control (RFD-xx-000) |  | | Variable pump fan drive circuits provide reversing control and overpressure protection/anti-cavitation. |
Highlights - Variable Pump fan drive circuits
- HIC provides reversing control and over-pressure protection/anti-cavitation
- Variable pump provides modulation (speed control)
  Techical datasheet : Fan Drives HICS.pdf
| | | | |
Proportional And Reversing Control (RFD-xx-PRV) |  | | Fixed pump fan drive circuits provide modulating and reversing control with over-pressure protection/anti-cavitation. |
Highlights - Fixed pump fan drive circuits
- HIC provides modulating and reversing control with over-pressure protection/anti-cavitation
  Techical datasheet : Fan Drives HICS.pdf
| | | | |
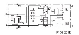
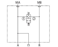
Motor Mount HIC'SComatrol motor mount HIC'S (Hydraulic Integrated Circuits) complement orbital motors perfectly. Use them in tandem on your motor applications, and see performance soar. Counterbalance HIC'S |  | | Typical applications include swing drives, winch drives and vehicle propulsion. | | | | | |
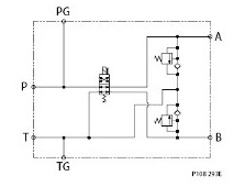
Cross-Port Relief HIC'S |  | | Typical applications include vehicle propulsion, auger drives, conveyer drives and slew drives. |
Highlights - Catalog HIC'S using cross-port relief valves that control the maximum motor torque by providing the work ports with full-flow, by-pass relief protection
- Optional shuttle valve available for functions such as load-sensing feedback, operating an unloading valve, or releasing a brake
SIA Inducont offers also versions: Single cross-port relief valve (A port and B port).   Techical datasheet : Motor Mount HICS.pdf
| | | | |
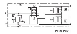
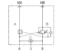
Bypass Solenoid HIC'S |  | | Typical uses include on/off fan drives and applications that require individual motors on the same circuit to be turned off independently or motor disablement during system start-up to limit pressure losses. |
Highlights - Catalog HIC'S with bypass solenoid, allowing an electric signal to enable/disable motor rotation independent of system hydraulics. A normally closed solenoid valve is used to bypass flow from B to A when energized
- Drain port connected to port A to simplify circuit plumbing
 Techical datasheet : Motor Mount HICS.pdf
| | | | |
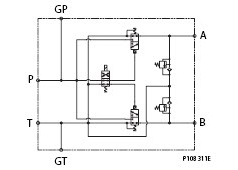
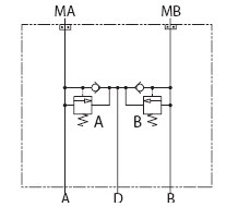
Dual Shock Valve HIC'S |  | | Typical applications include vehicle propulsion, auger drives, conveyer drives and slew drives. |
Highlights - Catalog HIC'S with dual shock valves that trim the maximum motor torque by absorbing momentary pressure spikes (shock effects) at the work ports
- Anti-cavitation feature where additional flow is supplied to the motor through the drain port when the motor overruns the pump - useful in series wheel drive applications where one motor must turn faster than the other while the vehicle is cornering
 Techical datasheet : Motor Mount HICS.pdf
| | | | |
Traction Control HIC'SYou'll appreciate the strong traction control Comatrol HIC (Hydraulic Integrated Circuit) provides on vehicles where one pump drives multiple motors. Strong Traction Control HIC'S |  | | Once actuated, the HIC delivers equal flow to the motors, preventing wheel spin and excessive motor speed. |
Highlights - Good complement to propel systems where one pump drives multiple motors
- Designs available for 2 or 4-motor applications
- Proven and ready for application
- When the solenoid is energized, fluid is forced through the flow divider/combiner, preventing wheel spin or motor over speed
 Techical datasheet : Traction Control HICS.pdf
| | | | |
Other products from this manufacturer |